Výrobky
Kliknutím na ikonu se třemi tečkami získáte další možnosti pro každý výrobek.

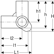
| Pol. č. | 601.824.00.1 |
| L | 4.6 cm |
| L1 | 8.8 cm |
Můj seznam (0)
Kliknutím na ikonu se třemi tečkami získáte další možnosti pro každý výrobek.

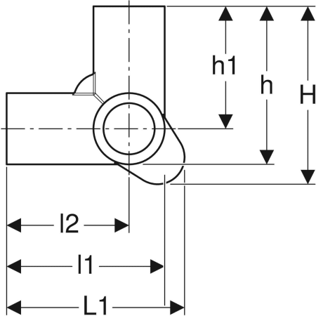
| Pol. č. | 601.824.00.1 |
| L | 4.6 cm |
| L1 | 8.8 cm |
Materiál EPDM |
Materiál EPDM |
Vyhledat další výrobky lze kliknutím na účel použití
Vyhledat další výrobky lze kliknutím na vlastnost
Zvukově izolační víčko
Zvukově izolační podložka